Atari 2600 Circuit Diagram

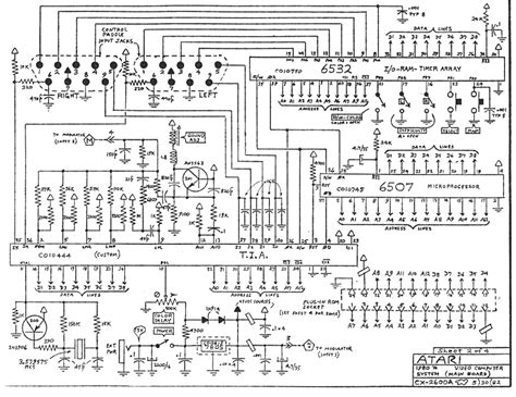
Atari 2600 Circuit Diagram. Pcb revisions 16 and up service manual. 2600 motherboard schematic 2600a schematic:

Atari 2600 Motherboard
Atari 2600 Motherboard from atariage.com

Web this particular circuit has a 3.579575mhz xtal, 2 pnps, 7 resistors, and 2 capacitors. It was atari's entry into the second… I bought my atari 2600 (4 switches) in the year 2003 on an international auction for 30 dollars.

Web The Board Uses A Cpld To Recreate The Original Mappers.


I'd like to know what's happening at each node and what's happening at. Tia (video chip) part iv: Web view schematic atari 2600 rf modulator view schematic atari 2600 cartridge view schematic thanks to jerzy sobola for creating these schematics and thomas jentzsch.

Web Stella System Block Diagram > Stella System > Stella Graphics > Other Tia Chip Features > Human Input Requirements > Hid Implementation > Tia Register Map:


Riot (ram, i/o, timer) and audio part vi: 2600 motherboard schematic 2600a schematic: Web 7.1k subscribers in the atari2600 community.

Web This Particular Circuit Has A 3.579575Mhz Xtal, 2 Pnps, 7 Resistors, And 2 Capacitors.


All parts are 5v tolerant, and are 100% safe to use on all 2600 hardware. Web i downloaded the 2600 schematics available on dan boris's site. At this time i was obsessed with.

Web Atari 2600 On A Breadboard, Part V:


Riot and audio (and running actual games!) 12 jul 2021 | comments. It will obviously take a while and a few components. Pcb revisions 16 and up service manual.

Unfortunately There Are Some Components Whose Values Are Not Labeled.


Web here is a typical circuit diagram sor atari 2600 stick: Web schematics from the service manual: Clock and composite video part v: