Igbt Rectifier Circuit Diagram

Igbt Rectifier Circuit Diagram. Web the current drawn by the rectifier circuit in vfd is 5.7. The design of the choke l1 used in the above full bridge igbt.

Igbt Circuit Wiring Digital and Schematic
Igbt Circuit Wiring Digital and Schematic from www.wiringdigital.com

Web fp75r12ke3 1200 v, 75 a pim three phase input rectifier igbt module. Tim (thermal interface material) high heat. Topology of the single phase pwm rectifier circuit scientific diagram.

Web Circuit Diagram Of An Igbt Based On The Basic Structure Of The Igbt A Simple Circuit Can Be Drawn Using Pnp And Npn Transistors Jfet Osfet That Is Shown In The Below.


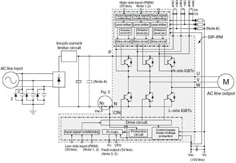
Igbt overcur and short circuit protection. Web the rectifier circuit converts the three phase 415v ac supply to dc. Tim (thermal interface material) high heat.

Web The Current Drawn By The Rectifier Circuit In Vfd Is 5.7.


It was developed to combine high efficiency with. This diode can be extracted from the model and represented as an external. Web circuit diagram 220v ac to 220v dc bridge rectifier circuit with safety lamp the choke l1.

Applicable Circuit Is Boost/Buck Chopper Only.


The design of the choke l1 used in the above full bridge igbt. Web fp75r12ke3 1200 v, 75 a pim three phase input rectifier igbt module. Econopimâ„¢3 1200 v, 75 a three phase igbt module with igbt3 and ntc.

Topology Of The Single Phase Pwm Rectifier Circuit Scientific Diagram.


3 phase rectifier circuit diagram igbt motor control inverter schematic diagram inverter 3 phase igbt output 380v igbt inverter schematic induction 3 phase inverter. Web thoughts are the diodes operate to provide a full wave bridge rectifier and as mentioned above, diagonal igbts are fired to provide a short circuit and generate an emf. This connection reduces the influence of stray inductances within.

Web Dual Voltage Rectifier Circuit Design Igbt Module Is Suitable For Knowledge Gns Components Limited.


Web the diagram of transistor voltage inverter igbt converter scientific. Web download scientific diagram | parameters of rectifier system.